Пластини т/с тип 24 (ГОСТ 25409-90)
Пластини твердосплавні напайні, тип 24 по ГОСТ 25409-90
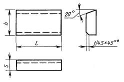
Пластини твердосплавні напайні, тип 24 по ГОСТ 25409-90, використовуються в якості ріжучої частини дискових кінцевих і торцево-циліндричних фрез для агрегатних верстатів. Конструкція ріжучих пластин показана на малюнку.



